刚性密闭套管又叫穿墙套管,穿墙管。柔性防水套管一般适用于管道穿过墙壁之处受有振动或有严密防水要求的构筑物,套管部分加工完成后,在其外壁均刷底漆一遍(底漆包括樟丹或冷底子油)。刚性密闭套管分为刚性防水套管和柔性防水套管。两者主要是使用的地方不一样,柔性防水套管主要用在人防墙,水池等要求很高的地方,刚性防水套管一般用在地下室等管道需穿管道的位置。
刚性密闭套管是适用于管道穿过墙壁之处受有振动或有严密防水要求的构筑物的五金管件,一般生产企业是根据建筑科学研究院研制设计的S312、02S404标准图集制造的。柔性防水套管穿墙处之墙壁,如遇非混凝土时应改用混凝土墙壁,必须将套管一次凝固于墙内;柔性防水套管施广泛用于建筑、化工、钢铁、自来水、污水处理等单位。
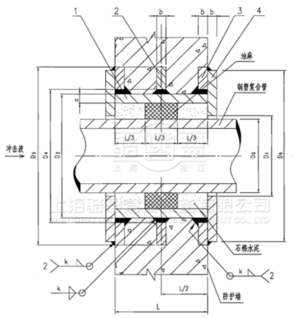
产品名称:刚性密闭套管
别 名:刚性密闭套管,密闭套管
口径规格:【DN50mm-DN3200mm】
产品颜色:天蓝色、红色(实物颜色见产品展示图片)
适用范围:【钢管、PP管等】
认 证:9001-2001
产品等级:A级,
工作温度:-20度至80度(还可加工整体304、316、316L不锈钢)
购买热线: 021-622-00727
刚性密闭套管是钢管外加翼环(钢板做的环形套在钢管上),装于墙内(多为混凝土墙),用于一般管道穿墙,利于墙体的防水,而柔性防水套管除了外部翼环,内部还有档圈之类的,法兰内丝,有成套卖的,也可自己加工,用于有减震需要的管路,如和水泵连接的管道穿墙时。不管是柔性防水套管还是刚性防水套管都是用于管道穿过受有振动或有严密防水要求的建筑物墙壁的五金配件,常用于建筑、化工、钢铁、自来水、污水处理等单位。
上海尊龙凯时人生就是搏!官网生产的刚性密闭套管适用于管道穿过墙壁之处受有振动的五金管件,一般生产企业是根据建筑科学研究院研制设计的S312、02S404标准图集制造的。以质量赢得客户,以诚信占领市场。老品牌,价格低,质量好,值得信赖!
虹桥商务区不是一个行政区域而是一个功能区域。规划范围东至外环线A20;西至现状铁路外环线,即华翔路;南至A9沪青平高速公路;北至规划北翟高架路。总用地面积约26.3平方公里。
根据城市总体规划,虹桥枢纽周边约60平方公里的区域规划为虹桥商务功能拓展区,即北面到A11,西面到A5。两个区域面积相加约86平方公里,涉及闵行、长宁、青浦、嘉定四个区。韩正指出,加快郊区新城建设,要切实做到五个坚持:坚持规划引领、坚持基础设施和重大社会事业设施建设先行、坚持突出功能开发、坚持城乡居民共享城市化发展成果、坚持突出重点集中开发。郊区新城规划一定要坚持低碳、宜居、人性化的理念,在人车流科学设计、功能多元化发展、留足户外公共活动空间、保护和传承历史文脉、积极应用~新材料等方面更加科学、超前和细致地考虑。南桥、嘉定、青浦三个郊区新城已经有比较好的基础和条件,要在完成总体规划修编和优化的基础上加快推进。虹桥商务区是推进上海“四个中心”建设、加快与长三角区域一体化发展的重大战略部署。市委九届八次全会明确将加快虹桥商务区规划建设作为本市六项重点工作之一。大虹桥将建成上海~低碳商务社区虹桥商务区是上海十二五”期间重点发展区域,其开发建设时市委市立足全局、着眼长远的重大战略决策。目的是依托虹桥综合交通枢纽、~大型会展项目等重大功能项目,带动上海经济发展方式转型、促进城市空间布局调整、推动上海贸易中心建设,更好地服务于~长三角一体化发展战略。2012年,上海尊龙凯时人生就是搏!官网与上海东海建设有限公司签署供货合同,有我公司为其提供其所承包的08号地块虹桥绿谷广场建筑中所使用的密闭套管,橡胶接头,伸缩接头,阀门等。

请点击图片看大图
| 编号 | 名称 | 数量 | 材料 |
| 1 | 钢制套管 | 1 | Q235-A |
| 2 | 翼环 | 3 | Q235-A |
请点击图片看大图
|
DN |
D1 |
D2 |
D3 |
D4 |
δ |
b |
k |
|
50 |
60 |
62 |
114 |
225 |
3.5 |
10 |
4 |
|
65 |
75.5 |
77.5 |
121 |
230 |
3.75 |
10 |
4 |
|
80 |
89 |
91 |
140 |
250 |
4 |
10 |
4 |
|
100 |
108 |
110 |
159 |
270 |
4.5 |
10 |
5 |
|
125 |
133 |
135 |
180 |
290 |
6 |
10 |
6 |
|
150 |
159 |
161 |
219 |
330 |
6 |
10 |
6 |
|
200 |
219 |
221 |
273 |
385 |
8 |
12 |
8 |
专业制造、专业服务,尊龙凯时人生就是搏!官网为你创造更多价值 !
不断提升服务质量,精益求精,“真诚的服务”是尊龙凯时人生就是搏!官网永恒的主题。尊龙凯时人生就是搏!官网严格按照 要求,质量严格把关,责任到人,确保生产、销售、服务的健康运行。加强与用户沟通,竭诚为广大客户提供优质产品,至善至美服务,特此尊龙凯时人生就是搏!官网做出如下承诺:
产品标准
产品严格按照中国 GB、HG 标准和美国 API 等标准设计、制造、验收。密封面硬度达到规定要求,宽度超过标准。
售前服务
产品介绍,技术交流,非标产品设计,疑难解答。
售中服务
1、守信合同,保证及时供货,随时保持与客户联系
2、对特殊或复杂的产品,我厂安排技术人员对用户进行产品使用、故障排除、调式及维修进行培训和指导。
售后服务
1、尊龙凯时人生就是搏!官网产品质保期为自出厂起 12 个月,实行“三包”服务(包退、包换、包修)。
2、产品在使用中我厂定期组织技术、检查人员进行访问,征询用户对产品质量、使用状况、改进意见等方面的反馈,以便进一步提高产品质量。
3、对用户投诉产品质量问题,快速做出反映,售后服务人员在 24-36 小时(省外 48 小时)赶赴现场。
4、对售后服务,要求用户填写服务后的质量反馈表,并做出鉴定意见,共同提高尊龙凯时人生就是搏!官网的产品质量与服务质量。
1、客户采购清单请传真至 E-mail:,或来电咨询 。
2、收到客户采购清单,为客户提供产品型号选型与报价(价格清单)。
3、具体商定:交货期、特殊要求等事宜。
订货须知
1、客户对产品有特殊要求,须在订货合同中提供以下说明:
(1)结构长度
(2)连接形式
(3)公称直径、全通径、缩径、管道尺寸
(4)用介质及温度、压力范围
(5)实验、检验标准及其他要求本厂可根据客户特殊要求配置定做和设计特殊产品。
2、本厂可根据客户特殊要求配置定做和设计特殊产品。
3、如由客户提供确定的产品类型和型号时,客户应正确说明其型号的含义和要求,在供需双方理解一致的条件下签订合同。
您可以填写下面的表格,把您的联系方式和产品需求提交给尊龙凯时人生就是搏!官网,尊龙凯时人生就是搏!官网将尽快与您联系解决,谢谢!为了能及时和您取得联系,请您务必完整填写您的联系方式和需求信息。
您也可以联系在线客服