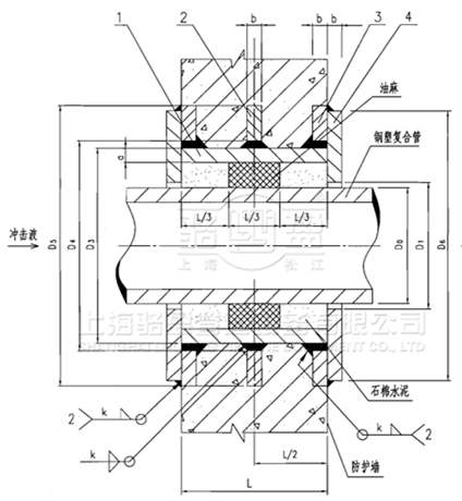
07FS02防护密闭套管-热镀锌用于穿越人防区的位置。其构造与刚性防水套管相似,只是比刚性防水套管外多一个(或两个)翼环,还有防冲击波的挡板,挡板与翼环、管道直接焊接。如果人防密闭套管设置在两个人防区之间,人防密闭套管两侧都必须设置翼环和防冲击波的挡板。具体规格尺寸可参照国标图集尺寸表,现行参照的图集标准有:07FS02等。
07FS02防护密闭套管是按照~07FS02标准图集制作的密闭套管,广泛应用于地下工程、化工、钢铁、建筑、化工、刚铁、自来水、污水处理等管路穿墙壁要求严密防水之处。04FS02柔性密闭套管_两侧防护柔性密闭套管作用 :07FS02柔性密闭套管是为了解决有些地下工程需要管路穿墙而过,而通过处又有严密防水要求;还有些构筑物也需要管路穿墙而过,同时又限制管路不能因温度变化或外力产生伸缩和位移,更不允许管路在外在因素作用下产生振动而设计制作的。它的外壳一次性浇注在墙壁上,管子从套管中间通过,管子外径与套管中间用填料密封,起到了防水和减振作用。两侧防护柔性密闭套管材质 :
1、柔性密闭套管是按照~标准04FS02制造生产,材料采用Q235-A。
2、柔性填料材料:沥青麻丝,聚苯乙稀板,聚氯乙烯泡沫塑料板。
3、密封膏:聚硫密封膏,聚胺脂密封膏。
以上是针对07FS02防护密闭套管-热镀锌作出的详细介绍,上海尊龙凯时人生就是搏!官网生产的07FS02防护密闭套管-热镀锌其构造与刚性防水套管相似,只是比刚性防水套管外多一个(或两个)翼环,还有防冲击波的挡板,挡板与翼环、管道直接焊接。如果人防密闭套管设置在两个人防区之间,人防密闭套管两侧都必须设置翼环和防冲击波的挡板。
产品名称:07FS02防护密闭套管-热镀锌
别 名:热镀锌防护密闭套管,防护密闭套管,密闭套管
口径规格:【DN50mm-DN3200mm】
产品颜色:天蓝色、红色(实物颜色见产品展示图片)
适用范围:【钢管、PP管等】
产品标准:07FS02(图集号)
认 证:9001-2001
产品等级:A级,
工作温度:-20度至80度(还可加工整体304、316、316L不锈钢,外部热镀锌)
购买热线: 021-622-00727
热镀锌将表面清洁的金属材料或零件浸在熔融的锌液中,利用界面发生的物理化学反应,在表面形成一层金属锌的过程。
热镀锌(galvanizing) 也叫热浸锌和热浸镀锌:是一种有效的金属防腐方式,主要用于各行业的金属结构设施上。是将除锈后的钢件浸入500℃左右融化的锌液中,使钢构件表面附着锌层,从而起到防腐的目的。冷镀锌也叫电镀锌,是利用电解设备将管件经过除油、酸洗、后放入成分为锌盐的溶液中,并连接电解设备的负极,在管件的对面放置锌版,连接在电解设备的正极接通电源,利用电流从正极向负极的定向移动就会在管件上沉积一层锌,冷镀管件是先加工后镀锌。热镀锌是由较古老的热镀方法发展而来的,自从1836年法国把热镀锌应用于工业以来,已经有一百七十年的历史了。然而,热镀锌工业是近三十年来伴随冷轧带钢的飞速发展而得到了大规模发展。热镀锌板的生产工序主要包括:原板准备→镀前处理→热浸镀→镀后处理→成品检验等。按照习惯往往根据镀前处理方法的。
07FS02防护密闭套管是按照~07FS02标准图集制作的密闭套管,广泛应用于地下工程、化工、钢铁、建筑、化工、刚铁、自来水、污水处理等管路穿墙壁要求严密防水之处。04FS02柔性密闭套管_两侧防护柔性密闭套管作用 :07FS02柔性密闭套管是为了解决有些地下工程需要管路穿墙而过,而通过处又有严密防水要求;还有些构筑物也需要管路穿墙而过,同时又限制管路不能因温度变化或外力产生伸缩和位移,更不允许管路在外在因素作用下产生振动而设计制作的。它的外壳一次性浇注在墙壁上,管子从套管中间通过,管子外径与套管中间用填料密封,起到了防水和减振作用。两侧防护柔性密闭套管材质 :
1、柔性密闭套管是按照~标准04FS02制造生产,材料采用Q235-A。
2、柔性填料材料:沥青麻丝,聚苯乙稀板,聚氯乙烯泡沫塑料板。
3、密封膏:聚硫密封膏,聚胺脂密封膏。
上海尊龙凯时人生就是搏!官网管道设备有限公司为谷城县三湾电站项目提供了大量的密闭套管等水利枢纽方面使用的管道配件,为加快工程建设,提高工程生产效率,保护管道的长久运行都做出了巨大的贡献。谷城县西河三湾水电站项目建设获上级主管部门核准,地址谷城县赵湾乡方家坪村。本工程为无调节引水式电站,根据初步设计对现场的勘察,水文、水能分析计算,水电站总装机1600(2台×800)kw,设计水头60米,多年平均发电量799万 kw.h,年利用小时4994h。主要建设内容为拦水坝、引水隧洞2800m(右岸)、前池(洞外式)、发电厂房、10kv升压站和输电线路及生活区等。该项目总投资1266.9万元,注册资本金1440万元,其余建设资金由项目业主自筹或者申请银行贷款解决。主要用于建设用地及移民、水土保持、安全、~、地震及接入系统等方面的建设.

请点击图片看大图
| 编号 | 名称 | 数量 | 材料 |
| 1 | 钢制套管 | 1 | Q235-A |
| 2 | 翼环 | 1 | Q235-A |
| 3 | 固定法兰 | 2 | Q235-A |
| 4 | 挡板 | 2 | Q235-A |
请点击图片看大图
|
DN |
D1 |
D2 |
D3 |
D4 |
δ |
b |
k |
|
50 |
60 |
62 |
114 |
225 |
3.5 |
10 |
4 |
|
65 |
75.5 |
77.5 |
121 |
230 |
3.75 |
10 |
4 |
|
80 |
89 |
91 |
140 |
250 |
4 |
10 |
4 |
|
100 |
108 |
110 |
159 |
270 |
4.5 |
10 |
5 |
|
125 |
133 |
135 |
180 |
290 |
6 |
10 |
6 |
|
150 |
159 |
161 |
219 |
330 |
6 |
10 |
6 |
|
200 |
219 |
221 |
273 |
385 |
8 |
12 |
8 |
专业制造、专业服务,尊龙凯时人生就是搏!官网为你创造更多价值 !
不断提升服务质量,精益求精,“真诚的服务”是尊龙凯时人生就是搏!官网永恒的主题。尊龙凯时人生就是搏!官网严格按照 要求,质量严格把关,责任到人,确保生产、销售、服务的健康运行。加强与用户沟通,竭诚为广大客户提供优质产品,至善至美服务,特此尊龙凯时人生就是搏!官网做出如下承诺:
产品标准
产品严格按照中国 GB、HG 标准和美国 API 等标准设计、制造、验收。密封面硬度达到规定要求,宽度超过标准。
售前服务
产品介绍,技术交流,非标产品设计,疑难解答。
售中服务
1、守信合同,保证及时供货,随时保持与客户联系
2、对特殊或复杂的产品,我厂安排技术人员对用户进行产品使用、故障排除、调式及维修进行培训和指导。
售后服务
1、尊龙凯时人生就是搏!官网产品质保期为自出厂起 12 个月,实行“三包”服务(包退、包换、包修)。
2、产品在使用中我厂定期组织技术、检查人员进行访问,征询用户对产品质量、使用状况、改进意见等方面的反馈,以便进一步提高产品质量。
3、对用户投诉产品质量问题,快速做出反映,售后服务人员在 24-36 小时(省外 48 小时)赶赴现场。
4、对售后服务,要求用户填写服务后的质量反馈表,并做出鉴定意见,共同提高尊龙凯时人生就是搏!官网的产品质量与服务质量。
1、客户采购清单请传真至 E-mail:,或来电咨询 。
2、收到客户采购清单,为客户提供产品型号选型与报价(价格清单)。
3、具体商定:交货期、特殊要求等事宜。
订货须知
1、客户对产品有特殊要求,须在订货合同中提供以下说明:
(1)结构长度
(2)连接形式
(3)公称直径、全通径、缩径、管道尺寸
(4)用介质及温度、压力范围
(5)实验、检验标准及其他要求本厂可根据客户特殊要求配置定做和设计特殊产品。
2、本厂可根据客户特殊要求配置定做和设计特殊产品。
3、如由客户提供确定的产品类型和型号时,客户应正确说明其型号的含义和要求,在供需双方理解一致的条件下签订合同。
您可以填写下面的表格,把您的联系方式和产品需求提交给尊龙凯时人生就是搏!官网,尊龙凯时人生就是搏!官网将尽快与您联系解决,谢谢!为了能及时和您取得联系,请您务必完整填写您的联系方式和需求信息。
您也可以联系在线客服