HSD-A低频空气弹簧减振器是由气室、橡胶弹性隔膜、支撑板三部分组成的弹性元件。HSD-A空气弹簧减振器是柔 性密闭容器中加入压力空气,利用空气受压缩时的恢复力来提供弹性力,从而实现隔振和缓冲作用的一种非金属弹簧,空气弹簧减振器具有变刚度特性,容易获得较低的固有频率(2.6—5.3Hz)、较高的阻尼比(0.06—0.08),减振效率可达到95%以上。HSD低频空气弹簧减振器内部采用支撑设计,提高了使用安全性。
购买热线: 021-622-00727
1、空气弹簧减振器自然频率低,约在3.0—5.0Hz,故减振效果优良;阻尼系数0.06—0.08,可有效避免共振现象,尤其对楼板、钢结构上设备共振效果显著。
2、以空气为媒体,承载设备之负荷,可永保理想弹性,而无弹性疲乏及变形之率;气体为声音之不良导体,具有优异的隔音效果。
3、使用优质进口复合材料—耐候性优良的NEPORENE RUBBER橡胶,故具有良好之耐久性。
4、安装简单,使用方便,高度可依内压调整;采用防油帽设计,抗油性提高,可放置一般油污环境。
5、具有优良的减振效果,减少设备之振动损害,以延长设备使用寿命。
6、空气弹簧减振器的特殊设计,振动衰减距离特别长,具有高程度侧压抵抗能力,能承受水平作用力,适用于各种高楼上的机械设备。
安装低频空气弹簧减振器能有效解决振动及冲击带来的公害问题,并提高周边机械的精密度,即减少设备维护费用,增加工作效率,凡下列设备,均可适用。
1.积极隔振:设备转动部件偏心产生周期振动,及冲床等设备的冲击力会对周围环境造成振动影响。HSD-A空气弹簧减振器能有效隔离此类振动,提高周边机械的精密度,减少设备维护费用,增加工作效率。
1.消极隔振:精密仪器或设备支撑结构的振动大于仪器或设备的允许振动时,将对仪器、设备的测量精度、加工质量产生有害影响,降低仪器的使用寿命。需在仪器、设备与之撑结构之间安装减振器以保证其正常工作。
2.应用在低频振源的隔振效果很佳;对于弹簧减振器或剪切式橡胶减振器难以满足的仪器、设备。
3.HSD低频空气弹簧减振器应在无腐蚀介质(酸、碱)等环境中使用,温度为-10°C—50°C。特殊情况可按用户要求采用特殊材料及设计保护装置。

请点击图片看大图
请点击图片看大图
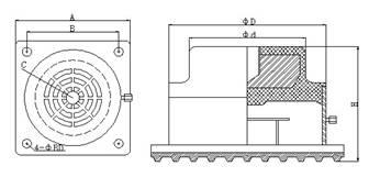
| JSA产品技术参数表 | |||||||||
| 型号 | 外型尺寸(mm) | 荷载(Kgs) | 固定螺栓CS*L | ||||||
| A | B | H | φD | φd | BD | Min | Max | ||
| HSD-A-50 | 100 | 76 | 75 | 73 | 30 | 11 | 0 | 50 | M10 |
| HSD-A-100 | 145 | 105 | 100 | 106 | 50 | 14 | 50 | 10 | M12 |
| HSD-A-200 | 145 | 105 | 100 | 106 | 60 | 14 | 100 | 200 | M12 |
| HSD-A-400 | 175 | 135 | 100 | 137 | 92 | 14 | 200 | 400 | M12 |
| HSD-A-700 | 205 | 165 | 102 | 165 | 110 | 14 | 400 | 700 | M16 |
| HSD-A-900 | 230 | 190 | 102 | 191 | 136 | 14 | 700 | 900 | M16 |
| HSD-A-1200 | 255 | 217 | 105 | 216 | 149 | 18 | 900 | 1200 | M16 |
| HSD-A-1600 | 315 | 265 | 105 | 270 | 190 | 18 | 1200 | 1600 | M16 |
| HSD-A-2000 | 360 | 305 | 105 | 320 | 260 | 18 | 1600 | 2000 | M16 |
| HSD-A-2800 | 440 | 385 | 110 | 403 | 300 | 18 | 2000 | 2800 | M18 |
| HSD-A-3500 | 470 | 410 | 110 | 422 | 330 | 18 | 2800 | 3500 | M20 |
专业制造、专业服务,尊龙凯时人生就是搏!官网为你创造更多价值 !
不断提升服务质量,精益求精,“真诚的服务”是尊龙凯时人生就是搏!官网永恒的主题。尊龙凯时人生就是搏!官网严格按照 要求,质量严格把关,责任到人,确保生产、销售、服务的健康运行。加强与用户沟通,竭诚为广大客户提供优质产品,至善至美服务,特此尊龙凯时人生就是搏!官网做出如下承诺:
产品标准
产品严格按照中国 GB、HG 标准和美国 API 等标准设计、制造、验收。密封面硬度达到规定要求,宽度超过标准。
售前服务
产品介绍,技术交流,非标产品设计,疑难解答。
售中服务
1、守信合同,保证及时供货,随时保持与客户联系
2、对特殊或复杂的产品,我厂安排技术人员对用户进行产品使用、故障排除、调式及维修进行培训和指导。
售后服务
1、尊龙凯时人生就是搏!官网产品质保期为自出厂起 12 个月,实行“三包”服务(包退、包换、包修)。
2、产品在使用中我厂定期组织技术、检查人员进行访问,征询用户对产品质量、使用状况、改进意见等方面的反馈,以便进一步提高产品质量。
3、对用户投诉产品质量问题,快速做出反映,售后服务人员在 24-36 小时(省外 48 小时)赶赴现场。
4、对售后服务,要求用户填写服务后的质量反馈表,并做出鉴定意见,共同提高尊龙凯时人生就是搏!官网的产品质量与服务质量。
1、客户采购清单请传真至 E-mail:,或来电咨询 。
2、收到客户采购清单,为客户提供产品型号选型与报价(价格清单)。
3、具体商定:交货期、特殊要求等事宜。
订货须知
1、客户对产品有特殊要求,须在订货合同中提供以下说明:
(1)结构长度
(2)连接形式
(3)公称直径、全通径、缩径、管道尺寸
(4)用介质及温度、压力范围
(5)实验、检验标准及其他要求本厂可根据客户特殊要求配置定做和设计特殊产品。
2、本厂可根据客户特殊要求配置定做和设计特殊产品。
3、如由客户提供确定的产品类型和型号时,客户应正确说明其型号的含义和要求,在供需双方理解一致的条件下签订合同。
您可以填写下面的表格,把您的联系方式和产品需求提交给尊龙凯时人生就是搏!官网,尊龙凯时人生就是搏!官网将尽快与您联系解决,谢谢!为了能及时和您取得联系,请您务必完整填写您的联系方式和需求信息。
您也可以联系在线客服