不锈钢法兰球阀只需要用旋转90度的操作和很小的转动力矩就能关闭严密。完全平等的阀体内腔为介质提供了阻力很小、直通的流道。通常认为球阀很适宜直接做开闭使用,但近来的发展已将球阀设计成使它具有节流和控制流量之用。球阀的主要特点是本身结构紧凑,易于操作和维修,适用于水、溶剂、酸和天然气等一般工作介质,而且还适用于工作条件恶劣的介质,如氧气过氧化氢,甲烷和乙烯等。球阀阀体可以是整体的,也可以是组合式的。 本类阀应安装在管道的水平方向。
购买热线: 021-622-00727
不锈钢法兰球阀的工作原理是靠旋转阀杆来使阀门畅通或闭塞。球阀开关轻便,体积小,可以做成很大口径,密封性可靠,结构简单,维修方便,密封面与球面常在闭合状态,不易被介质冲蚀,在各行业得到广泛的应用。
1. 流体阻力小,其阻力系数与同长度的管段相等。
2. 结构简单、体积小、重量轻。
3. 紧密可靠,目前球阀的密封面材料广泛使用塑料、密封性好,在真空系统中也已广泛使用。
4. 操作方便,开闭迅速,从全开到全关只要旋转90°,便于远距离的控制。
5. 维修方便,球阀结构简单,密封圈一般都是活动的,拆卸更换都比较方便。
6. 在全开或全闭时,球体和阀座的密封面与介质隔离,介质通过时,不会引起阀门密封面的侵蚀。
7. 适用范围广,通径从小到几毫米,大到几米,从高真空至高压力都可应用。
球阀已广泛应用于石油、化工、发电、造纸、原子能、航空、火箭等各部门,以及人们日常生活中。
记者从省有关部门获悉,交通运输部正式出具引江济淮工程工可行业审查意见,为项目工可报告及时获批奠定基础。记者了解到,备受关注的引江济淮工程进入开工建设前很后冲刺阶段,开工时间或定在汛期后(我省汛期为每年5月到9月),而淮水北调工程今年也将投入运行。
据悉,根据可行性研究报告,引江济淮线路过巢湖共有4种方案,通过分析,环评建议采取济淮的江水不入巢湖的方案从兆河闸引水,在派河泵站引水口布设在兆河闸上并在巢湖南岸新开挖明渠,途中接引菜子湖线江水后输水至派河泵站。这条方案中,济淮江水不经过巢湖,直接从巢湖南岸绕过,对巢湖水质影响较小。
此次上海尊龙凯时人生就是搏!官网作为主要的不锈钢法兰球阀供应商,将竭尽全力向这一工程提供优质高效的阀门产品,这是因为不锈钢法兰球阀开关轻便,体积小,可以做成很大口径,密封性可靠,结构简单,维修方便,密封面与球面常在闭合状态,不易被介质冲蚀,能够有效的保障整个管道项目的顺利运行。
同时,我省将加快长江干支流治理。今年将完成青弋江分洪道项目,推进滁河治理、水阳江下游当涂段防洪治理、长江崩岸应急治理工程,力争开工建设秋浦河、皖河、巢湖环湖防洪治理和长江干流铜陵河段整治工程。

请点击图片看大图
请点击图片看大图
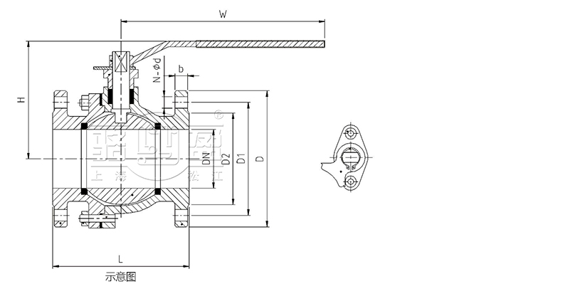
| 型号Type | 公称通径DN(mm) | 尺寸Dimension(mm) | |||||||
| L | D | D1 | D2 | b-f | Z-φd | H | W | ||
| Q41-16 | 15 | 130 | 95 | 65 | 45 | 14-2 | 4-φ14 | 65 | 115 |
| 20 | 140 | 105 | 75 | 55 | 14-2 | 4-φ14 | 75 | 130 | |
| 25 | 150 | 115 | 85 | 65 | 14-2 | 4-φ14 | 85 | 150 | |
| 32 | 165 | 135 | 100 | 78 | 16-2 | 4-φ18 | 95 | 190 | |
| 40 | 180 | 145 | 110 | 85 | 18-3 | 4-φ18 | 105 | 230 | |
| 50 | 200 | 160 | 125 | 100 | 20-3 | 4-φ18 | 115 | 240 | |
| 65 | 220 | 180 | 145 | 120 | 22-3 | 8-φ18 | 145 | 280 | |
| 80 | 250 | 195 | 160 | 135 | 22-3 | 8-φ18 | 160 | 310 | |
| 100 | 280 | 245 | 190 | 160 | 24-3 | 8-φ23 | 185 | 330 | |
| 125 | 320 | 280 | 220 | 188 | 28-3 | 8-φ25 | 215 | 600 | |
| 150 | 360 | 335 | 250 | 218 | 30-3 | 8-φ25 | 245 | 800 | |
| 200 | 400 | 405 | 310 | 278 | 34-3 | 12-φ25 | 300 | 1000 | |
| 型号Type | 公称通径DN(mm) | 尺寸Dimension(mm) | |||||||
| L | D | D1 | D2 | b-f | Z-φd | H | W | ||
| Q41-yf40 | 15 | 140 | 95 | 60 | 45 | 14-2 | 4-φ14 | 60 | 145 |
| 20 | 152 | 105 | 65 | 55 | 14-2 | 4-φ14 | 65 | 160 | |
| 25 | 165 | 115 | 75 | 65 | 14-2 | 4-φ14 | 75 | 180 | |
| 32 | 180 | 135 | 85 | 78 | 16-2 | 4-φ18 | 85 | 220 | |
| 40 | 190 | 145 | 95 | 85 | 16-3 | 4-φ18 | 95 | 230 | |
| 50 | 216 | 165 | 108 | 100 | 18-3 | 4-φ18 | 108 | 250 | |
| 65 | 241 | 180 | 140 | 120 | 20-3 | 8-φ18 | 140 | 290 | |
| 80 | 283 | 195 | 148 | 135 | 20-3 | 8-φ18 | 148 | 350 | |
| 100 | 305 | 230 | 180 | 155 | 20-3 | 8-φ18 | 180 | 460 | |
| 125 | 381 | 270 | 250 | 188 | 36-3 | 8-φ25 | 250 | 610 | |
| 150 | 403 | 300 | 275 | 218 | 38-3 | 8-φ25 | 275 | 800 | |
| 200 | 502 | 375 | 405 | 282 | 44-3 | 12-φ30 | 405 | 1000 | |
专业制造、专业服务,尊龙凯时人生就是搏!官网为你创造更多价值 !
不断提升服务质量,精益求精,“真诚的服务”是尊龙凯时人生就是搏!官网永恒的主题。尊龙凯时人生就是搏!官网严格按照 要求,质量严格把关,责任到人,确保生产、销售、服务的健康运行。加强与用户沟通,竭诚为广大客户提供优质产品,至善至美服务,特此尊龙凯时人生就是搏!官网做出如下承诺:
产品标准
产品严格按照中国 GB、HG 标准和美国 API 等标准设计、制造、验收。密封面硬度达到规定要求,宽度超过标准。
售前服务
产品介绍,技术交流,非标产品设计,疑难解答。
售中服务
1、守信合同,保证及时供货,随时保持与客户联系
2、对特殊或复杂的产品,我厂安排技术人员对用户进行产品使用、故障排除、调式及维修进行培训和指导。
售后服务
1、尊龙凯时人生就是搏!官网产品质保期为自出厂起 12 个月,实行“三包”服务(包退、包换、包修)。
2、产品在使用中我厂定期组织技术、检查人员进行访问,征询用户对产品质量、使用状况、改进意见等方面的反馈,以便进一步提高产品质量。
3、对用户投诉产品质量问题,快速做出反映,售后服务人员在 24-36 小时(省外 48 小时)赶赴现场。
4、对售后服务,要求用户填写服务后的质量反馈表,并做出鉴定意见,共同提高尊龙凯时人生就是搏!官网的产品质量与服务质量。
1、客户采购清单请传真至 E-mail:,或来电咨询 。
2、收到客户采购清单,为客户提供产品型号选型与报价(价格清单)。
3、具体商定:交货期、特殊要求等事宜。
订货须知
1、客户对产品有特殊要求,须在订货合同中提供以下说明:
(1)结构长度
(2)连接形式
(3)公称直径、全通径、缩径、管道尺寸
(4)用介质及温度、压力范围
(5)实验、检验标准及其他要求本厂可根据客户特殊要求配置定做和设计特殊产品。
2、本厂可根据客户特殊要求配置定做和设计特殊产品。
3、如由客户提供确定的产品类型和型号时,客户应正确说明其型号的含义和要求,在供需双方理解一致的条件下签订合同。
您可以填写下面的表格,把您的联系方式和产品需求提交给尊龙凯时人生就是搏!官网,尊龙凯时人生就是搏!官网将尽快与您联系解决,谢谢!为了能及时和您取得联系,请您务必完整填写您的联系方式和需求信息。
您也可以联系在线客服