三片式法兰球阀和闸阀是同属一个类型的阀门,区别在它的关闭件是个球体,球体绕阀体中心线作旋转来达到开启、关闭的一种阀门。 球阀在管路中主要用来做切断、分配和改变介质的流动方向。三片式球阀是近年来被广泛采用的一种新型阀门。
1. 流体阻力小,其阻力系数与同长度的管段相等。
2. 结构简单、体积小、重量轻。三片式法兰球阀按其通道位置可分为直通式,三通式和直角式。后两种球阀用于分配介质与改变介质的流向。
购买热线: 021-622-00727
三片式法兰球阀的工作原理是靠旋转阀恋来使阀门畅通或闭塞。球阀开关轻便,体积小,可以做成很大口径,密封可靠,结构 简单,维修方便,密封面与球面常在闭合状态,不易被介质冲蚀,在各行业得到广泛的应用。
三片式法兰球阀在管路中主要用来做切断、分配和改变介质的流动方向。球阀是被广泛采用的一种新型阀门,它具有以下优点:
1. 流体阻力小,其阻力系数与同长度的管段相等。
2. 结构简单、体积小、重量轻。
3. 紧密可靠,球阀的密封面材料广泛使用塑料、密封性好,在真空系统中也已广泛使用。
4. 操作方便,开闭迅速,从全开到全关只要旋转90°,便于远距离的控制。
5. 维修方便,球阀结构简单,密封圈一般都是活动的,拆卸更换都比较方便。
6. 在全开或全闭时,球体和阀座的密封面与介质隔离,介质通过时,不会引起阀门密封面的侵蚀。
7. 适用范围广,通径从小到几毫米,大到几米,从高真空至高压力都可应用。 球旋转90度时,在进、出口处应全部呈现球面,从而截断流动。
三片式法兰球阀是一种比较新型的球阀类别,它有着自身结构所独有的一些优越性,如开关无摩擦,密封不易磨损,启闭力矩小。这样可减小所配执行器的规格。配以多回转电动执行机构,可实现对介质的调节和严密切断。广泛适用于石油化工城市给排水等要求严格切断的工况。
一、开启过程
1在关闭位置,球体受阀杆的机械施压作用,紧压在阀座上。
2当逆时针转动手轮时,阀杆则反向运动,其底部角形平面使球体脱开阀座。
3阀杆继续提升,并与阀杆螺旋槽内的导销相互作用,使球体开始无摩擦地旋转。
4直至到全开位置,阀杆提升到极限位置,球体旋转到全开位置。
二、关闭过程
1关闭时,顺时针旋转手轮,阀杆开始下降并使球体离开阀座开始旋转。
2继续旋转手轮,阀杆受到嵌于其上螺旋槽内的导销的作用,使阀杆和球体同时旋转90°。
3 快要关闭时,球体已在与阀座无接触的情况下旋转了90°。
4手轮转动的很后几圈,阀杆底部的角形平面机械地楔向压迫球体,使其紧密地压在阀座上,达到完全密封。
结构特点
1、 启闭无摩擦。这一功能完全解决了传统阀门因密封面之间相互摩擦而影响密封的问题。
2、 上装式结构。对装在管道上的阀门可直接在线检查与维修,能有效减少装置停车,降低成本。
3、 单阀座设计。消除了阀门中腔介质因异常升压而影响使用安全的问题。
4、 低扭矩设计。特殊结构设计的阀杆,只需配一个小手把阀门就能轻松启闭。
5、 楔形密封结构。阀门是靠阀杆提供的机械力,将球楔压到阀座上而密封,使阀门的密封性不受管线压差变化的影响,在各种工况下密封性能都有可靠保证。
6、 密封面的自清洁结构。当球体倾离阀座时,管线中的流体沿球体密封面成360°均匀通过,不仅消除了高速流体对阀座局部的冲刷,也冲走了密封面上的聚积物,达到自清洁的目的。
广东四会市江谷精细化工基地已经如二期开发建设阶段。该基地位于四会中部,以高分子合成树脂、~涂料、高性能胶黏剂等具有较含量的精细化工产业为主导,总体规划面积10500亩,计划分三期进行开发建设,总投资约32亿元。
目前,该基地首期开发已完成基础配套设施建设,共引进落户企业30多家,总投资额约38.9亿元,年内将实现11家企业投试产。据基地负责人介绍,已引进项目包科精工油墨、中达颜料、快事达、洛德等,主要生产活性染料、有机颜料、有机硅、树脂等精细化工产品。项目全部投产后,将初步形成一条上下游闭合完整的精细化工产业链条,具备较强的同类产业竞争优势。
上海尊龙凯时人生就是搏!官网供应的三片式法兰球阀是一种比较新型的球阀类别,它有着自身结构所独有的一些优越性,如开关无摩擦,密封不易磨损,启闭力矩小。这样可减小所配执行器的规格。配以多回转电动执行机构,可实现对介质的调节和严密切断。广泛适用于石油化工城市给排水等要求严格切断的工况。
据悉,该基地二期开发已进入~次环评公示阶段。目前已引进的30个化工项目中,28个项目用地已摘牌。新春过后,来自快事达、中达两家企业的200多名工人已进驻园区,正对设备进行试产前的很后调试。

请点击图片看大图
| 部件Description Of Parts | Q41F-(16-64)C | Q41F-(16-64)P | Q41F-(16-64)R |
| 主体Body | WCB | ZG1Cr18Ni9TI CF 8 | ZG1Cr18Ni12Mo2Ti CF8M |
| 阀盖Bonnet | WCB | ZG1Cr18Ni9TI CF 8 | ZG1Cr18Ni12Mo2Ti CF8M |
| 球体Ball | ICr18Ni9Ti 304 | 1Cr18Ni9Ti 304 | 1Cr18Ni12Mo2Ti 316 |
| 阀杆Stem | ICr18Ni9Ti 304 | 1Cr18Ni9Ti 304 | 1Cr18Ni12Mo2Ti 316 |
| 密封Sealing | 聚四氟乙烯 | ||
| 包装Packing | 聚四氟乙烯 |
请点击图片看大图
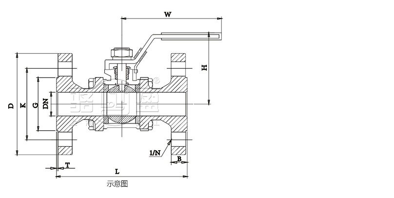
| DN | d | W | H | PN | ANSI | D | K | D1 | C | N-φ | D | K | D1 | C | N-φ | D | K | D1 | C | N-φ | |||
| L | |||||||||||||||||||||||
| 15 | 115 | 125 | 75 | 130 | 108 | PN16 | 95 | 65 | 45 | 14 | 4-14 | PN40 | 95 | 65 | 45 | 16 | 4-14 | 450Ib | 89 | 60.5 | 35 | 11 | 4-15 |
| 20 | 20 | 140 | 80 | 150 | 117 | 105 | 75 | 58 | 16 | 4-14 | 105 | 75 | 58 | 18 | 4-14 | 98 | 70 | 43 | 12 | 4-15 | |||
| 25 | 25 | 140 | 85 | 160 | 127 | 115 | 85 | 68 | 16 | 4-14 | 115 | 85 | 68 | 18 | 4-14 | 108 | 79.5 | 51 | 13 | 4-15 | |||
| 32 | 32 | 170 | 100 | 180 | 140 | 140 | 100 | 78 | 16 | 4-18 | 140 | 100 | 78 | 18 | 4-18 | 117 | 89 | 64 | 13 | 4-15 | |||
| 40 | 38 | 200 | 110 | 200 | 165 | 150 | 110 | 88 | 16 | 4-18 | 150 | 110 | 88 | 18 | 4-18 | 127 | 98.5 | 73 | 15 | 4-15 | |||
| 50 | 50 | 220 | 120 | 230 | 178 | 165 | 125 | 102 | 18 | 4-18 | 165 | 125 | 102 | 20 | 4-18 | 152 | 92 | 16 | 4-19 | ||||
| 65 | 65 | 280 | 130 | 250 290 | 190 | 185 | 145 | 122 | 18 | 4-18 | 185 | 145 | 122 | 22 | 4-18 | 178 | 105 | 118 | 4-19 | ||||
| 80 | 78 | 300 | 140 | 280 310 | 203 | 200 | 160 | 138 | 20 | 8-18 | 200 | 160 | 138 | 24 | 4-18 | 190 | 127 | 20 | 4-19 | ||||
| 100 | 100 | 340 | 160 | 320 350 | 229 | 220 | 180 | 158 | 20 | 8-18 | 235 | 190 | 162 | 24 | 4-22 | 229 | 157 | 24 | 8-19 | ||||
专业制造、专业服务,尊龙凯时人生就是搏!官网为你创造更多价值 !
不断提升服务质量,精益求精,“真诚的服务”是尊龙凯时人生就是搏!官网永恒的主题。尊龙凯时人生就是搏!官网严格按照 要求,质量严格把关,责任到人,确保生产、销售、服务的健康运行。加强与用户沟通,竭诚为广大客户提供优质产品,至善至美服务,特此尊龙凯时人生就是搏!官网做出如下承诺:
产品标准
产品严格按照中国 GB、HG 标准和美国 API 等标准设计、制造、验收。密封面硬度达到规定要求,宽度超过标准。
售前服务
产品介绍,技术交流,非标产品设计,疑难解答。
售中服务
1、守信合同,保证及时供货,随时保持与客户联系
2、对特殊或复杂的产品,我厂安排技术人员对用户进行产品使用、故障排除、调式及维修进行培训和指导。
售后服务
1、尊龙凯时人生就是搏!官网产品质保期为自出厂起 12 个月,实行“三包”服务(包退、包换、包修)。
2、产品在使用中我厂定期组织技术、检查人员进行访问,征询用户对产品质量、使用状况、改进意见等方面的反馈,以便进一步提高产品质量。
3、对用户投诉产品质量问题,快速做出反映,售后服务人员在 24-36 小时(省外 48 小时)赶赴现场。
4、对售后服务,要求用户填写服务后的质量反馈表,并做出鉴定意见,共同提高尊龙凯时人生就是搏!官网的产品质量与服务质量。
1、客户采购清单请传真至 E-mail:,或来电咨询 。
2、收到客户采购清单,为客户提供产品型号选型与报价(价格清单)。
3、具体商定:交货期、特殊要求等事宜。
订货须知
1、客户对产品有特殊要求,须在订货合同中提供以下说明:
(1)结构长度
(2)连接形式
(3)公称直径、全通径、缩径、管道尺寸
(4)用介质及温度、压力范围
(5)实验、检验标准及其他要求本厂可根据客户特殊要求配置定做和设计特殊产品。
2、本厂可根据客户特殊要求配置定做和设计特殊产品。
3、如由客户提供确定的产品类型和型号时,客户应正确说明其型号的含义和要求,在供需双方理解一致的条件下签订合同。
您可以填写下面的表格,把您的联系方式和产品需求提交给尊龙凯时人生就是搏!官网,尊龙凯时人生就是搏!官网将尽快与您联系解决,谢谢!为了能及时和您取得联系,请您务必完整填写您的联系方式和需求信息。
您也可以联系在线客服