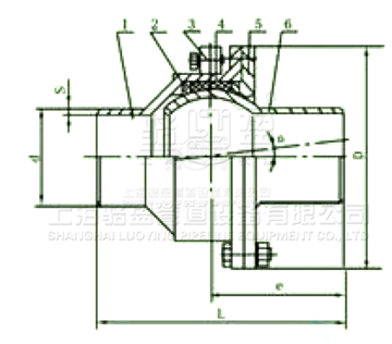
QJB型焊接式球形接头是由壳体,球体,密封圈组成。接头两端采用焊接方式进行连接。本体的内部结构和法兰式球形接头的结构是一样的,同样都是在工作过程中,球体嵌套在壳体内部,二者之间由橡胶密封圈密封连接。
【产品名称】:QJB型焊接球形接头(E球形补偿接头)
【产品别名】:焊接球形接头 球形补偿接头
【产品规格】:【DN50mm-DN1200mm】
【产品压力】:1.0-2.5MPa
【产品】:
【适用范围】:【弱酸、弱碱、弱腐蚀类、油、热水、冷水等】
【产品材质】:碳钢,球墨铸铁,不锈钢.
【产品颜色】:蓝色,可根据客户要求调色.
【工作温度】:-40度至80度
购买热线: 021-622-00727
QJB型焊接式球形接头球体在使用过程中可以在一定范围内进行自由转动,能够实现管道的角向位移的补偿。适用于出现角向位移的管道,方便施工。产品适用于输送海水、淡水、冷热水、饮用水、生活污水、原油、燃油、润滑油、成品油、空气、煤气、温度不高于250度的蒸汽和颗粒粉状等介质。
1 角向位移补偿量大,使用寿命长。
2 材质优良,运行稳定。
3 本产品能够有效地起到保护管线避免受到地陷带来的不良影响。
让江海儿女共饮长江水的目标实现后,南通市区供水量突飞猛长,新建的崇海水厂一期从建成之日起就是满负荷运转,为确保区域供水量足质优,崇海水厂二期已进场施工。
眼前在建的是库容5万方的清水池,用于临时储存制好的水,再转供至各县区。池底的面积相当于36个篮球场大小,总计要用1.6万立方混凝土和2000多吨钢材。为了抓紧工期,目前工地上挖掘机取土和池底混凝土浇筑都是同步施工。
上海尊龙凯时人生就是搏!官网生产的QJB型焊接式球形接头球体在使用过程中可以在一定范围内进行自由转动,能够实现管道的角向位移的补偿。适用于出现角向位移的管道,方便施工。该管线使用了尊龙凯时人生就是搏!官网补偿器之后能够大大提高管线的运行的稳定性和持久性,大幅度降低管道运行过程中发生事故的几率。
清水池竣工后,沙滤池、沉淀池等深度处理项目都将陆续开工。整个二期工程概算投资4.3亿元,供水规模40万吨,预计今年年底竣工验收。

请点击图片看大图
| 公称通径Norminal Diameter DN(mm) | 径向很大尺寸Max radial size D(mm) | 球心距Globe Distance E(mm) | 转矩Torque(KN.M) | 总长Total length L(mm) | 重量Weight | |||||
| 1.0Mpa | 1.6Mpa | 2.5Mpa | ||||||||
| 1.0Mpa | 1.6Mpa | 2.5Mpa | 4.0Mpa | 接管connection tube | 接管connection tube | 接管connection tube | ||||
| 50 | 180 | 114 | 0.07 | 0.11 | 0.17 | 0.28 | 200 | 18 | 18.8 | 23 |
| 65 | 198 | 152 | 0.14 | 0.23 | 0.36 | 0.58 | 260 | 26 | 27 | 32 |
| 80 | 225 | 168 | 0.32 | 0.51 | 0.80 | 1.28 | 292 | 37 | 38 | 45 |
| 100 | 260 | 178 | 0.54 | 0.86 | 1.34 | 2.15 | 310 | 56 | 58 | 70 |
| 125 | 300 | 206 | 1.04 | 1.67 | 2.61 | 4.18 | 350 | 77 | 79 | 95 |
| 150 | 375 | 254 | 1.52 | 2.43 | 3.80 | 6.08 | 440 | 85 | 87 | 105 |
| 200 | 440 | 236 | 2.15 | 3.45 | 5.39 | 8.63 | 435 | 118 | 121 | 145 |
| 250 | 540 | 315 | 4.22 | 6.75 | 10.55 | 16.88 | 584 | 238 | 243 | 290 |
| 300 | 608 | 275 | 6.34 | 10.15 | 15.86 | 25.38 | 602 | 331 | 338 | 405 |
| 350 | 685 | 370 | 8.31 | 13.30 | 20.78 | 33.25 | 670 | 503 | 514 | 615 |
| 400 | 780 | 420 | 10.83 | 17.32 | 27.06 | 43.30 | 757 | 584 | 596 | 725 |
| 450 | 825 | 435 | 15.34 | 24.55 | 38.36 | 61.38 | 822 | 846 | 864 | 820 |
| 500 | 900 | 336 | 20.81 | 33.30 | 52.03 | 13.25 | 728 | 965 | 985 | 1150 |
| 600 | 1055 | 448 | 26.22 | 41.95 | 65.55 | 104.87 | 900 | 1345 | 1375 | 1647 |
| 700 | 1300 | 710 | 31.78 | 50.84 | 79.44 | 127.10 | 1290 | 1524 | 1555 | 1866 |
| 800 | 1450 | 830 | 38.26 | 61.22 | 95.65 | 153.05 | 1480 | 1700 | 1735 | 2080 |
| 900 | 1630 | 950 | 45.20 | 72.32 | 113.05 | 180.80 | 1650 | 1876 | 1915 | 2298 |
| 1000 | 1810 | 1100 | 52.74 | 84.38 | 131.84 | 210.95 | 1810 | 2058 | 2100 | 2520 |
| 1100 | 1990 | 1350 | 60.91 | 97.46 | 152.28 | 243.65 | 2050 | 2370 | 2425 | 2880 |
| 1200 | 2170 | 1550 | 69.78 | 111.65 | 174.45 | 279.45 | 2280 | 2795 | 2860 | 3280 |
专业制造、专业服务,尊龙凯时人生就是搏!官网为你创造更多价值 !
不断提升服务质量,精益求精,“真诚的服务”是尊龙凯时人生就是搏!官网永恒的主题。尊龙凯时人生就是搏!官网严格按照 要求,质量严格把关,责任到人,确保生产、销售、服务的健康运行。加强与用户沟通,竭诚为广大客户提供优质产品,至善至美服务,特此尊龙凯时人生就是搏!官网做出如下承诺:
产品标准
产品严格按照中国 GB、HG 标准和美国 API 等标准设计、制造、验收。密封面硬度达到规定要求,宽度超过标准。
售前服务
产品介绍,技术交流,非标产品设计,疑难解答。
售中服务
1、守信合同,保证及时供货,随时保持与客户联系
2、对特殊或复杂的产品,我厂安排技术人员对用户进行产品使用、故障排除、调式及维修进行培训和指导。
售后服务
1、尊龙凯时人生就是搏!官网产品质保期为自出厂起 12 个月,实行“三包”服务(包退、包换、包修)。
2、产品在使用中我厂定期组织技术、检查人员进行访问,征询用户对产品质量、使用状况、改进意见等方面的反馈,以便进一步提高产品质量。
3、对用户投诉产品质量问题,快速做出反映,售后服务人员在 24-36 小时(省外 48 小时)赶赴现场。
4、对售后服务,要求用户填写服务后的质量反馈表,并做出鉴定意见,共同提高尊龙凯时人生就是搏!官网的产品质量与服务质量。
1、客户采购清单请传真至 E-mail:,或来电咨询 。
2、收到客户采购清单,为客户提供产品型号选型与报价(价格清单)。
3、具体商定:交货期、特殊要求等事宜。
订货须知
1、客户对产品有特殊要求,须在订货合同中提供以下说明:
(1)结构长度
(2)连接形式
(3)公称直径、全通径、缩径、管道尺寸
(4)用介质及温度、压力范围
(5)实验、检验标准及其他要求本厂可根据客户特殊要求配置定做和设计特殊产品。
2、本厂可根据客户特殊要求配置定做和设计特殊产品。
3、如由客户提供确定的产品类型和型号时,客户应正确说明其型号的含义和要求,在供需双方理解一致的条件下签订合同。
您可以填写下面的表格,把您的联系方式和产品需求提交给尊龙凯时人生就是搏!官网,尊龙凯时人生就是搏!官网将尽快与您联系解决,谢谢!为了能及时和您取得联系,请您务必完整填写您的联系方式和需求信息。
您也可以联系在线客服