万向铰链补偿器多用来补偿立体管系的位移,由于其独特的结构,管系支架不承受内压推力,只承受补偿器的弹力。使用时与平面铰链布置方法相同。
【产品名称】:JWJ型万向铰链补偿器
【产品别名】:万向型铰链补偿器
【产品规格】:【DN100mm-DN1200mm】
【产品压力】:0.6-2.5MPa
【产品】:
【适用范围】:【弱酸、弱碱、弱腐蚀类、油、热水、冷水等】
【产品材质】:碳钢,球墨铸铁,不锈钢.
【产品颜色】:蓝色,可根据客户要求调色.
【工作温度】:-40度至80度
购买热线: 021-622-00727
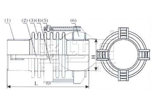
万向铰链补偿器主要以角偏转的方式补偿多平面弯曲管段的合成位移。 由于平衡环、销轴和铰链板能承受压力推力和其他附加外力的作用,自身吸收内压推力,不会对管道产生外力,因此管道支撑的设置可以简化。万向铰链式波纹补偿器可以补偿管线任意向上的角位移。万向铰链型补偿器与铰链式不同处在于它有一个万向环,在万向环的周向有二对相互垂直的铰链结构,因此它能吸收任意平面的角向位移,同样吸收横向位移时需二个或三个组合使用。
万向铰链补偿器通过一个万向轴和销轴的作用,实现了管道在任意平面内的角向位移。销轴还能在一定程度上起到一个限位的作用,避免损坏波纹管。并且结构合理,运行稳定,极大减少了管道线路的后期维护。
近日,台州污水处理厂三期工程正式开工建设。该工程位于椒南污水处理厂厂区东面,建设用地149亩,总投资超过4亿元,建设期限为2016年至2018年。
工程主要建设有日处理10万吨污水的处理厂一座,服务面积约44平方公里,服务范围包括葭沚西片区、下陈、洪家、三甲及台州湾循环经济产业集聚区椒江片区,服务人口约20万人。
上海尊龙凯时人生就是搏!官网向台州污水处理厂供应的万向铰链补偿器能够针对管道线路在运行过程中出现的位移提供充足的角向,横向等方向的位移补偿,除此之外, 万向铰链补偿器通过一个万向轴和销轴的作用,实现了管道在任意平面内的角向位移。销轴还能在一定程度上起到一个限位的作用,避免损坏波纹管。并且结构合理,运行稳定,极大减少了管道线路的后期维护。

请点击图片看大图
| 序号NO. | 通径Diameter DN | 波数Number of waven | 横向补偿Horizontal compensation mm/横向刚度Horizontal Stiffness N/mm | 径向很大尺寸Max radial size mm | 接管端口尺寸Size of end of connection tube | 产品重量Weight kg | |||||||||
| 产品总长Total length mm | 法兰尺寸Flange Size | 产品总长Total length mm | |||||||||||||
| 1200 | 1500 | 2000 | 2500 | 3000 | c | n-d | 1200 | 1500 | 2000 | 2500 | 3000 | ||||
| 1 | 100 | 4+4 | 91/4 | 127/2 | 187/1 | 247/06 | 330 | φ180×4 | 46 | 55 | 71 | 86 | |||
| 2 | φ180 | φ8-180 | 56 | 65 | 81 | 96 | |||||||||
| 3 | 125 | 4+4 | 99/11 | 140/6 | 209/3 | 277/2 | 335 | φ133×14 | 66 | 83 | 101 | 118 | |||
| 4 | φ210 | φ8-18 | 79 | 96 | 114 | 131 | |||||||||
| 5 | 150 | 4+4 | 108/12 | 153/6 | 230/3 | 307/2 | 380 | φ159×4.5 | 75 | 97 | 107 | 129 | |||
| 6 | φ240 | φ8-23 | 91 | 113 | 123 | 145 | |||||||||
| 7 | 200 | 3+3 | 75/42 | 108/21 | 164/10 | 220/6 | 450 | φ219×6 | 102 | 124 | 161 | 198 | |||
| 8 | φ295 | φ12-23 | 122 | 144 | 181 | 218 | |||||||||
| 9 | 250 | 3+3 | 76/68 | 116/33 | 182/14 | 244/8 | 525 | φ273×8 | 152 | 182 | 230 | 280 | |||
| 10 | φ355 | φ12-25 | 183 | 213 | 261 | 311 | |||||||||
| 11 | 300 | 3+3 | 104/66 | 169/28 | 234/15 | 299/10 | 585 | φ325×8 | 242 | 307 | 372 | 437 | |||
| 12 | φ410 | φ12-25 | 278 | 343 | 408 | 473 | |||||||||
| 13 | 350 | 3+3 | 160/38 | 225/20 | 291/3 | 662 | φ377×8 | 259 | 324 | 389 | 454 | ||||
| 14 | φ470 | φ16-25 | 306 | 371 | 436 | 501 | |||||||||
| 15 | 400 | 3+3 | 95/96 | 144/52 | 202/28 | 262/17 | 710 | φ426×8 | 333 | 408 | 483 | 557 | |||
| 16 | φ525 | φ16-30 | 395 | 470 | 545 | 619 | |||||||||
| 17 | 450 | 3+3 | 85/130 | 115/90 | 162/48 | 210/29 | 285/20 | 776 | φ478×8 | 464 | 561 | 658 | 755 | ||
| 18 | φ585 | φ20-30 | 544 | 641 | 738 | 835 | |||||||||
| 19 | 500 | 3+3 | 101/127 | 143/66 | 186/41 | 229/27 | 842 | φ529×8 | 563 | 662 | 761 | 860 | |||
| 20 | φ650 | φ20-34755 | 673 | 772 | 871 | 970 | |||||||||
| 21 | 600 | 3+3 | 98/182 | 143/93 | 187/56 | 232/38 | 976 | φ630×8 | 755 | 898 | 1041 | 1184 | |||
| 22 | φ770 | φ20-41 | 916 | 1059 | 1201 | 1345 | |||||||||
专业制造、专业服务,尊龙凯时人生就是搏!官网为你创造更多价值 !
不断提升服务质量,精益求精,“真诚的服务”是尊龙凯时人生就是搏!官网永恒的主题。尊龙凯时人生就是搏!官网严格按照 要求,质量严格把关,责任到人,确保生产、销售、服务的健康运行。加强与用户沟通,竭诚为广大客户提供优质产品,至善至美服务,特此尊龙凯时人生就是搏!官网做出如下承诺:
产品标准
产品严格按照中国 GB、HG 标准和美国 API 等标准设计、制造、验收。密封面硬度达到规定要求,宽度超过标准。
售前服务
产品介绍,技术交流,非标产品设计,疑难解答。
售中服务
1、守信合同,保证及时供货,随时保持与客户联系
2、对特殊或复杂的产品,我厂安排技术人员对用户进行产品使用、故障排除、调式及维修进行培训和指导。
售后服务
1、尊龙凯时人生就是搏!官网产品质保期为自出厂起 12 个月,实行“三包”服务(包退、包换、包修)。
2、产品在使用中我厂定期组织技术、检查人员进行访问,征询用户对产品质量、使用状况、改进意见等方面的反馈,以便进一步提高产品质量。
3、对用户投诉产品质量问题,快速做出反映,售后服务人员在 24-36 小时(省外 48 小时)赶赴现场。
4、对售后服务,要求用户填写服务后的质量反馈表,并做出鉴定意见,共同提高尊龙凯时人生就是搏!官网的产品质量与服务质量。
1、客户采购清单请传真至 E-mail:,或来电咨询 。
2、收到客户采购清单,为客户提供产品型号选型与报价(价格清单)。
3、具体商定:交货期、特殊要求等事宜。
订货须知
1、客户对产品有特殊要求,须在订货合同中提供以下说明:
(1)结构长度
(2)连接形式
(3)公称直径、全通径、缩径、管道尺寸
(4)用介质及温度、压力范围
(5)实验、检验标准及其他要求本厂可根据客户特殊要求配置定做和设计特殊产品。
2、本厂可根据客户特殊要求配置定做和设计特殊产品。
3、如由客户提供确定的产品类型和型号时,客户应正确说明其型号的含义和要求,在供需双方理解一致的条件下签订合同。
您可以填写下面的表格,把您的联系方式和产品需求提交给尊龙凯时人生就是搏!官网,尊龙凯时人生就是搏!官网将尽快与您联系解决,谢谢!为了能及时和您取得联系,请您务必完整填写您的联系方式和需求信息。
您也可以联系在线客服